Preise inkl. gesetzlicher MwSt. zzgl. Versandkosten
Die Preise gelten für Lieferungen nach Deutschland. Der Verkauf in Länder der EU ist uns "Dank" der EU-Steuer- und Entsorgungsverordnungen zu aufwändig.
🚚 sofort versandfertig, Lieferzeit 1-4 Tage *
- Artikel-Nr.: CHA-HV5013
Das HV 5013 ist ein 17 mm dickes Brushless Digital Servo von CHASERVO im Alugehäuse - mit robustem Metallgetriebe. Das HV 5013 zeichnet sich durch seine Robustheit, hohe Rückstellgenauigkeit und einer enormen Stellkraft von bis zu 600 Ncm bei sehr guter Stellgeschwindigkeit aus.
Die dualen Befestigungslaschen ermöglichen den horizontalen und vertikalen Einbau, was eine flexible Nutzung des Servos ermöglicht. Der 4-Pole Brushless Motor arbeitet perfekt mit dem Metallgetriebe zusammen und liefert ein Höchstmaß an Präzision.
Die HV 5013 Servos sind optimiert für mittlere bis große Flugmodelle.
Das HV 5013 Servo hat einen weiten Spannungsbereich mit 6,0-8,4 Volt. Das hochwertige Alugehäuse lässt sich passgenau montieren. Bitte beachten Sie die Servo-Empfehlung des jeweiligen Modellherstellers bei der Auswahl Ihrer Servos.
Beiliegendes Zubehör: 2 Kunststoff-Servoarme, 2 Servoarmschrauben, Befestigungsschrauben Innensechskant M3 x 12
- CHASERVO HV 5013 · 17 mm digitales HV-Servo bis 600 Ncm günstig kaufen in Artur´s Modellbau-Shop
- Sicher zahlen mit PayPal
- PayPal-Express-Login direkt im Warenkorb
- Versand per DHL-Paket · Lieferung auch an DHL-Packstationen und DHL-Postfilialen
- Trusted Shops Käuferschutz
- Fachberatung
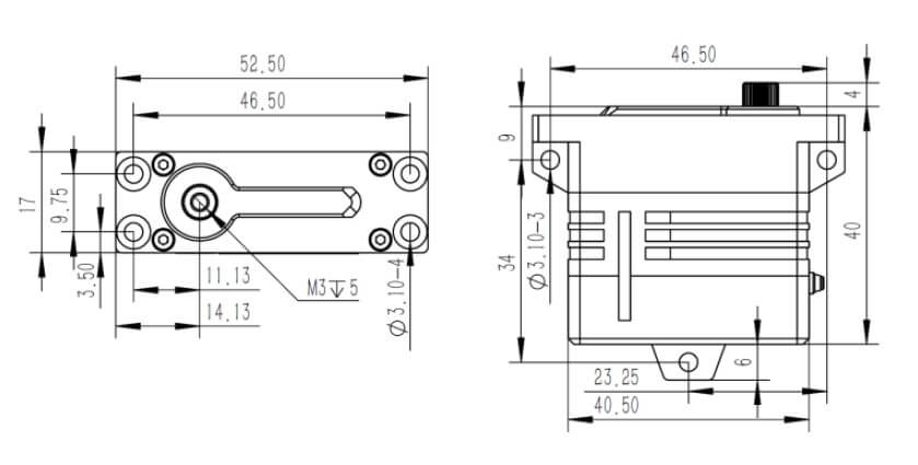
Die Maße beziehen sich auf das Gehäuse, ohne Berücksichtigung der Befestigungsflansche, des ggf. herausschauenden Motors und des Abtriebes. Bitte beachten Sie auch die Bemaßungen im Datenblatt, siehe unten im Download.
Technische Daten:

Betriebsspannung: | 6,0 - 8,4 Volt (HV) |
Gehäuse-Dicke: | 17 mm |
Gehäuse-Breite: | 40,5 mm |
Gehäuse-Höhe: | 40 mm |
Gewicht: | 68 g |
Gehäuse-Material: | Aluminium, CNC-gefräst |
Servomotor: | Brushless |
Positions-Sensor: | Poti |
Stellkraft bei 6,0 Volt: | 400 Ncm |
Stellkraft bei 7,4 Volt: | 500 Ncm |
Stellkraft bei 8,4 Volt: | 600 Ncm |
Stellzeit bei 6,0 Volt: | 0,16 Sek. / 60° |
Stellzeit bei 7,4 Volt: | 0,13 Sek / 60° |
Stellzeit bei 8,4 Volt: | 0,11 Sek. / 60° |
Befestigungslaschen: | Standard, horizontal |
Servo-Getriebe: | gehärtetes Stahlgetriebe |
Lager: | Kugellager |
Anschlußkabel · Steckersystem: | ca. 20 cm · Graupner JR |
Servo-Abtrieb: | 25T-6 ➔ 25 Zähne · Ø 6 mm |
AKATJA GmbH
Burgwaldring 13
86697 Oberhausen
Telefon: +49 (0) 8431 4328050
E-Mail: info@akatja.de
Vertreten durch:
Geschäftsführer Walther Bednarz
Eingetragen:
Ingolstadt HRB 10153
Umsatzsteuer-Identifikationsnummer: DE343321548
WEEE-Reg.-Nr: DE 10895544